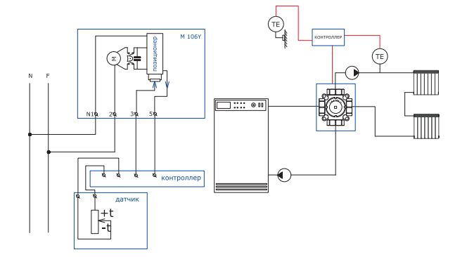
Электропривод поворотный аналоговый предназначен для автоматического управления трех- и четырехходовыми смесительными клапанами VALTEC и аналогичными им с помощью термостата или контроллера. Модель имеет аналоговое управление (сигнал – напряжение 0–10 В). Возможно переключение на ручное управление. Аналоговый электропривод VT.M106.R подключается к клапану с помощью переходной втулки (входит в комплект поставки). Максимально допустимая температура нагрева корпуса клапана (арматуры) – 150 °С. Напряжение питания – 24 В.
Схема подключения привода VT.M106.R с аналоговым управлением от контроллера
Артикул | Размер | Цена за штуку |
---|---|---|
VT.M106.R.024 | 24 В (0-10 В) | 42725 ₽ |
* Указаны рекомендованные производителем розничные цены (руб). |