- Главная
- Техподдержка
- Статьи
- Насосно-смесительные узлы для водяного теплого пола
Насосно-смесительные узлы для водяного теплого пола
Насосно-смесительные узлы
Требуемый расход теплоносителя в любой системе водяного отопления подсчитывается по следующей формуле:
G = Q /c⋅ ∆T, (1)
где Q — тепловая мощность системы, Вт; с — удельная теплоёмкость теплоносителя, Дж/кг °С; ∆Т — разность температур между прямым и обратным теплоносителем, °С.В системах радиаторного отопления перепад температур ∆Т обычно составляет порядка 20 °С, а в системах напольного отопления ∆Т = 5–10 °С.
Это значит, что для переноса одного и того же количества теплоты тёплые полы требуют расхода теплоносителя в 2–4 раза больше.
Максимальная температура теплоносителя в системах тёплого пола, как правило, не превышает 55 °С, рабочее значение этого параметра обычно лежит в пределах 35–45 °С.
В радиаторном же отоплении теплоноситель обычно подаётся с температурой 80–90 °С.
В связи с этими двумя факторами неизменным атрибутом системы напольного отопления является узел смешения.
- Насосно-смесительный узел системы тёплого пола должен выполнять следующие основные функции:
- поддерживать во вторичном контуре температуру теплоносителя ниже температуры первичного контура;
- обеспечивать расчётный расход теплоносителя через вторичный контур;
- обеспечивать гидравлическую увязку между первичным и вторичным контурами.
- К вспомогательным функциям насосно-смесительного узла можно отнести следующие:
- индикация температуры (на входе и выходе);
- отсекание циркуляционного насоса шаровыми кранами для его замены или обслуживания;
- защита насоса от работы на «закрытую задвижку» с помощью перепускного клапана;
- аварийное отключение насоса при превышении максимально допустимой температуры теплоносителя;
- отведение воздуха из теплоносителя;
- дренирование узла.
Принцип работы простейшего насосно-смесительного узла рис. 1.
Рис. 1. Тепломеханическая схема простейшего насосно-смесительного узла
Нагретый теплоноситель поступает на вход насосно-смесительного узла от котла или стояка радиаторной системы отопления с температурой T1. На входе в узел установлен настраиваемый термостатический клапан 2, на приводе которого выставляется требуемая температура теплоносителя, поступающего в тёплый пол Т11. Термочувствительный элемент 3 привода клапана располагается после насоса 1. При повышении температуры Т11 выше настроечного значения, клапан 2 закрывается, а при понижении – открывается, пропуская горячий теплоноситель на вход насоса. Пройдя по петлям тёплого пола, теплоноситель остывает до температуры Т21. Часть остывшего теплоносителя возвращается к котлу, а часть – через балансировочный клапан 4 поступает на вход насоса, смешиваясь с горячим теплоносителем.
Таким образом, в первичном (котловом) контуре температура теплоносителя снижается с Т1 до Т21 (∆Ткк = Т1 – Т21). Температуру Т21 задаёт пользователь. Перепад температур в петлях тёплого пола ∆Ттп = Т11 – Т21 также задаётся на стадии расчётов. Зная эти данные, и требуемую тепловую мощность тёплого пола, можно определить соотношение расходов в узле:
G3 = G11 – G1 (2)
G11 = Q /c⋅∆Tтп (3)
G1 = Q /c⋅∆Tkk (4)
Пример
- Исходные данные:
- температура на входе в насосно-смесительный узел Т1 = 90 °С;
- температура после насоса Т11 = 35 °С;
- перепад температур в петлях тёплого пола ∆Ттп = 5 °С;
- тепловая мощность тёплого пола Q = 12 кВт.
- Решение:
- Температура на выходе из петель тёплого пола: Т21 = Т11 – ∆Ттп = 35 – 5 = 30 °С.
- Перепад температур в первичном (котловом) контуре: ∆Ткк = Т1 – Т21 = 90 – 30 = 60 °С.
- Расход во вторичном контуре G11 = Q/c⋅ ∆Tтп = 12000/4187⋅5 = 0,573 кг/с.
- Расход в первичном (котловом) контуре G1 = Q/c⋅ ∆Tтп = 12000/4187⋅60 = 0,048 кг/с.
- Расход через байпас G3 = G11 – G1 = 0,573 – 0,048 = 0,535 кг/с.
Таким образом, расход в контуре тёплого пола в данном примере должен быть в 12 раз выше, чем в котловом контуре.
Как правило, циркуляционный насос при проектировании выбирается с некоторым запасом, поэтому он может перекачивать через байпас большее количество теплоносителя, чем требуется по проекту. К тому же, и температура теплоносителя в первичном контуре может по факту оказаться меньше расчётной. Именно для корректировки этих расхождений с расчётными данными служит балансировочный клапан 4, которым можно ограничить расход через байпас.
Насосно-смесительные узлы VT.COMBI и VT.COMBI.S
В насосно-смесительных узлах VT.COMBI и VT.COMBI.S (рис. 2, 3) приготовление теплоносителя с пониженной температурой происходит при помощи двухходового термостатического клапана, управляемого либо термоголовкой с капиллярным термочувствительным элементом, установленном в линии подающего коллектора (модель VT.COMBI), либо аналоговым сервоприводом, который работает под управлением контроллера VT.К200.М (модель VT.COMBI.S). Контроллер с датчиками температуры теплоносителя и наружного воздуха не входит в комплект поставки насосно-смесительного узла и приобретается отдельно.
Рис. 2. Насосно-смесительный узел VT.COMBI
В линии подмеса узла установлен балансировочный клапан, который задаёт соотношение между количествами теплоносителя, поступающего из обратной линии вторичного контура и прямой линии первичного контура, а также уравнивает давление теплоносителя на выходе из контура тёплых полов с давлением после термостатического регулировочного клапана.
От настроечного значения Kvb этого клапана и установленного скоростного режима насоса зависит тепловая мощность смесительного узла.
Рис. 3. Насосно-смесительный узел VT.COMBI.S
Узел адаптирован для присоединения к нему коллекторных блоков с межосевым расстоянием 200 мм и горизонтальным смещением между осями коллекторов 32 мм. При этом коллекторные блоки могут присоединяться как на входе, так и на выходе насосно-смесительного узла. Это позволяет использовать этот узел в комбинированных системах отопления (рис. 4), где отопление тёплым полом совмещается с радиаторным отоплением.
Рис. 4. Узел VT.COMBI.S в комбинированной системе отопления
Насосно-смесительный узел VT.DUAL
Насосно-смесительный узел VT.DUAL (рис. 5 и 6) состоит из двух модулей (насосного и термостатического), между которыми монтируется коллекторный блок контура тёплого пола. Для смешения используется трехходовой термостатический клапан, управляемый термоголовкой с капиллярным термочувствительным элементом, установленным на обратный коллектор вторичного контура.
Рис. 5. Насосно-смесительный узел VT.DUAL
Предохранительный термостат подающего коллектора останавливает насос в случае превышения настроечного значения температуры, прекращая циркуляцию в петлях тёплого пола.
Рис. 6. Узел VT.DUAL с коллекторным блоком (подключение справа)
Конструкция узла предусматривает перепускной контур с балансировочным клапаном, сохраняющим неизменным расход теплоносителя в первичном контуре при перекрытии петель тёплого пола.
Элементы узла устанавливаются не вертикально, а под углом 9°, что вызвано горизонтальным смещением осей коллекторного блока. Это позволяет подключать узел к подводящим трубопроводам как справа, так и слева.
Насосно-смесительный узел VT.VALMIX
Насосно-смесительный узел VT.VALMIX (рис. 7) отличается от узла VT.COMBI меньшей монтажной длиной и отсутствием перепускного клапана. Узел рассчитан на установку циркуляционного насоса монтажной длиной 130 мм. Ручной воздухоотводчик узла расположен на регулировочной втулке балансировочного клапана вторичного контура.
Узел поставляется с термоголовкой VT.3011, имеющей диапазон настройки температур от 20 до 62 °С. Вместо термоголовки может быть установлен аналоговый термоэлектрический сервопривод VT.TE3061, работающий под управлением контроллера VT.K200.М. Узел поставляется без циркуляционного насоса.
Рис. 7. Насосно-смесительный узел VT.VALMIX
Насосно-смесительный узел VT.TECHNOMIX
Так же как узел VT.VALMIX, узел VT.TECHNOMIX (рис. 8) рассчитан на установку циркуляционного насоса длиной 130 мм, но имеет несколько большую монтажную длину.
Кроме того, входные и выходные патрубки узла находятся в одной плоскости, поэтому узел монтируется к коллекторному блоку под углом 9°, и может устанавливаться как справа от обслуживаемого коллекторного блока, так и слева от него.
Узел поставляется с термоголовкой VT.5011, имеющей диапазон настройки температур от 20 до 60 °С.
Рис. 8. Насосно-смесительный узел VT.TECHNOMIX
Вместо термоголовки может быть установлен аналоговый термоэлектрический сервопривод VT.TE3061, работающий под управлением контроллера VT.K200.М. Узел поставляется без циркуляционного насоса.
Сравнение насосно-смесительных узлов VALTEC
Таблица 1. Сравнительная таблица насосно-смесительных узлов VALTEC
Наименование показателя |
Значение показателя для узла |
|||
VT.COMBI |
VT.DUAL |
VT.VALMIX |
VT.TECHNOMIX |
|
Подключаемая тепловая мощность при ∆Т=10 °С с насосом VT.VRS.25/4G, кВт |
15 |
20 |
13 |
14 |
Подключаемая тепловая мощность при ∆Т=10 °С с насосом VT.VRS.25/6G, кВт |
20 |
30 |
18 |
19 |
Рабочее давление, МПа |
1,0 |
1,0 |
1,0 |
1,0 |
Максимальная температура теплоносителя в первичном контуре, °С |
90 |
120 |
110 |
110 |
Монтажная длина узла, мм |
156 |
87–92 |
140 |
170 |
Монтажная длина насоса, мм |
180 |
130 |
130 |
130 |
Межосевое расстояние присоединительных патрубков, мм |
200 |
200 |
200 |
200 |
Резьба присоединительных патрубков, дюймы |
G1" В |
G1" |
G1" В |
G1" В; Н |
Kvs термостатического клапана, м3/ч |
2,75 |
2,75 |
3,42 |
2,63 |
Kvs балансировочного клапана первичного контура, м3/ч |
2,8 |
2,6 |
2,27 |
2,27 |
Kvs балансировочного клапана вторичного контура, м3/ч |
5,0 |
- |
3,42 |
11,3 |
Присоединение к первичному контуру |
Cлева |
Любое |
Слева |
Любое |
Наличие перепускного клапана |
Есть |
Байпас |
Нет |
Нет |
Тип воздухоотводчика |
Авто |
Ручной |
Ручной |
Ручной |
Наличие предохранительного термостата |
Нет |
Есть |
Нет |
Нет |
Количество ходов термостатического клапана |
2 |
3 |
3 |
2 |
Монтажное положение |
Вертик. |
Угол 9° |
Вертик. |
Угол 9° |
Безнасосные регулирующие узлы для теплого пола
В особую группу узлов регулирования системами тёплых полов можно выделить терморегулирующие безнасосные монтажные модули VT.ICBOX. Модули VT.ICBOX.1 и VT.ICBOX.2 (рис. 9) применяются в тех случаях, когда использование насосно-смесительных узлов экономически нецелесообразно, и для устройства тёплого пола достаточно всего одной петли, длина которой не превышает 100 м.
Модули имеют встроенный настраиваемый ограничитель температуры теплоносителя 1, термостатический клапан 2 и ручной воздухоотводчик 3.
Терморегулирующий монтажный комплект VT.ICBOX.1 предназначен для работы с термоголовкой, имеющей выносной термочувствительный элемент VT.5010, так как его термоголовка расположена внутри монтажной коробки. Модуль VT.ICBOX.2 работает с обычной термоголовкой VT.5000.
Рис. 9. Модули VT.ICBOX.1 и VT.ICBOX.2
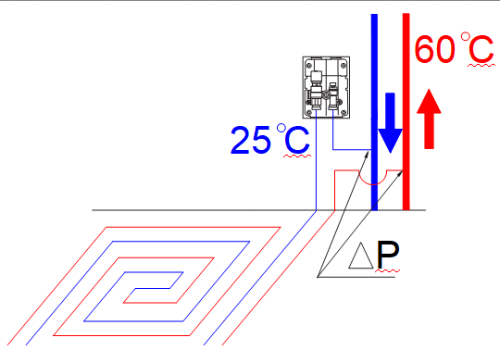
Модули устанавливаются на выходе из петли тёплого пола (рис. 10). Ограничитель температуры регулирует количество поступаемого в петлю теплоносителя так, что его температура не превышает заданного значения. Термостатический клапан перекрывает поступление теплоносителя в петлю при превышении температуры воздуха в помещении выше заданного на термоголовке значения. При установке данных модулей в систему с температурой подаваемого теплоносителя свыше 60 °С, часть петли следует вести по участку «тёплых стен». И лишь когда температура теплоносителя снизится до 60 °С, петлю можно продолжать по полу (рис. 11).
Рис. 10. Установка модулей в систему с температурой теплоносителя 60 °С
Рис. 11. Установка модулей в систему с температурой теплоносителя свыше 60 °С
Если для полов допустимая температура их поверхности ограничена 35 °С, то для стен это значение составляет 70 °С, поэтому остывание теплоносителя в стенах идёт гораздо быстрее, чем на полу (рис. 11).
Рис. 12. График остывания тепло- носителя для примера на рис. 11
Модули VT.ICBOX.1 и VT.ICBOX.2 не рекомендуется устанавливать при паркетных полах.
Монтажные модули VT.ICBOX.4 и VT.ICBOX.5 не имеют в своём составе ограничителя температуры, но у них имеется балансировочный клапан (рис. 13).
Рис. 13. Модули VT.ICBOX.4 и VT.ICBOX.5
На схемах рис. 12 позицией 1 обозначен ручной воздухоотводчик, позицией 2 – балансировочный клапан и позицией 3 – термостатический клапан. Термостатический клапан модуля VT.ICBOX.4 регулируется обычной термоголовкой VT.5000. Узел VT.ICBOX.5 управляется термоголовкой с выносным термочувствительным элементом VT.5010.
Эти два узла могут использоваться в случае, когда дистанционное управление сервоприводами коллекторного блока невозможно. То есть, применение модулей VT.ICBOX.4 и VT.ICBOX.5 позволяет регулировать тёплый пол непосредственно термоголовками, установленными в помещении (рис. 14). В этом случае можно использовать обычные дешёвые коллекторы с отсекающими клапанами вместо дорогих коллекторных блоков.
Рис. 14. Пример использования модулей VT.ICBOX.4 и VT.ICBOX.5
Все авторские права защищены.
При копировании статьи ссылка на правообладателя и/или на сайт valtec.ru обязательна.