- Главная
- Техподдержка
- Статьи
- Технология монтажа водяного теплого пола
Технология монтажа водяного теплого пола
В статье рассмотрены практические вопросы монтажа теплых полов и наиболее распространенные гидравлические схемы, от самых простых до более сложных, позволяющие добиться максимального комфорта в помещении. Представленные варианты схем реализованы на базе оборудования торговой марки VALTEC.
Наиболее распространенным способом реализации систем напольного отопления являются монолитные полы, выполненные так называемым «мокрым» методом из цементно-песчаного раствора или бетона. Конструкция такого пола представлена на рис. 1.
Рис. 1. Конструкция теплого пола
Монтаж системы теплых полов начинается с подготовки поверхности. Поверхность должна быть выровнена, неровности по площади не должны превышать ±5 мм. При необходимости поверхность выравнивается дополнительной стяжкой. Нарушение этого требования может привести к «завоздушиванию» труб.
После выравнивания поверхности необходимо вдоль стен или перегородок уложить демпферную ленту толщиной не менее 5 мм для компенсации теплового расширения монолита теплого пола. Лента должна быть уложена вдоль всех стен и перегородок, обрамляющих помещение, стоек, дверных коробок, колонн, отводов и т.п. Лента должна выступать над запланированной высотой конструкции пола минимум на 20 мм. В дальнейшем она будет закрыта плинтусом.
После установки демпферной ленты на перекрытие укладывается полиэтиленовая пленка для защиты от протекания цементного молока из раствора и слой теплоизоляции для предотвращения утечки тепла в нижележащие помещения. В качестве теплоизоляции используются вспененные материалы (полистирол, полиэтилен и т.п.) или фольгированные теплоизоляционные материалы. Важно, чтобы фольгированные теплоизоляционные материалы имели защитную пленку на алюминии. В противном случае, щелочная среда бетонной стяжки разрушает фольгированный слой в течение 3–5 недель. Для придания прочности цементно-песчаной стяжки укладывается арматурная сетка.
Рис. 2. Укладка петель теплого пола «одиночным
змеевиком»
Раскладка труб осуществляется с определенным шагом и в нужной конфигурации, заданной проектом. При этом рекомендуется подающий трубопровод укладывать ближе к наружным стенам. Существует несколько способов укладки петель теплого пола.
При укладке «одиночный змеевик» (рис. 2) распределение температуры поверхности пола неравномерное.
При укладке «улиткой» (рис. 3), трубы с противоположными направлениями потоков чередуются, причем наиболее горячий участок трубы соседствует с наиболее холодным. Это приводит к более равномерному распределению температуры по поверхности пола.
Укладка трубы производится по разметке, нанесенной на теплоизоляцию. Трубы крепятся якорными скобами через 0,3–0,5 м, либо удерживаются специальными выступами теплоизоляционных матов. Шаг укладки определяется расчетом и лежит в пределах от 10 до 30 см. Шаг труб не должен превышать 30 см, в противном случае возникнет неравномерный нагрев поверхности пола с появлением теплых и холодных полос. Для удобства расчета расхода трубы в зависимости от шага трубы и площади помещения можно воспользоваться таблицей 1.
Рис. 3. Укладка петель теплого пола «улиткой»
Области вблизи наружных стен здания называют «граничными зонами». Здесь рекомендуется уменьшать шаг укладки трубы, для того, чтобы компенсировать потери тепла через наружные ограждающие конструкции. Длину одного контура (петли) теплого пола не рекомендуется принимать более 100–120 м. Предпочтительно, чтобы потери давления в петле не превышали 20 кПа. После раскладки петель, непосредственно перед заливкой стяжки, производится опрессовка системы давлением, в 1,5 раза превышающем рабочее, но не менее 0.6 МПа (п. 5.25 СП 41-102-98).
При заливке цементно-песчаной стяжки труба должна находиться под давлением воды 0,3 МПа при комнатной температуре. Минимальная высота заливки над поверхностью трубы должна быть не менее 3 см (максимальная рекомендуемая высота, по европейским нормам – 7 см). Цементно-песчаная смесь должна быть не ниже марки 150 на цементе марки не ниже 400 с пластификатором. При заливке стяжки рекомендуется использовать виброрейку для удаления воздушных пузырьков. При длине монолитной плиты более 8 м или площади больше 40 м2 необходимо предусмотреть деформационные швы толщиной не менее 5 мм, для компенсации теплового расширения монолита. При прохождении труб через швы они должны иметь защитную оболочку длиной не менее 1 м.
Таблица 1. Расход трубы теплого пола
в зависимости от площади помещения
Пуск системы теплого пола осуществляется только после полного высыхания стяжки (примерно четыре дня на 1 см толщины стяжки). Температура воды при пуске системы должна быть комнатной. После пуска системы следует ежедневно увеличивать температуру подаваемой воды на 5 °С до расчетной рабочей температуры.
- Среднюю температуру поверхности пола, согласно п. 6.4.8 СП 60.13330.2012, рекомендуется принимать не выше:
- 26 °С для помещений с постоянным пребыванием людей;
- 31 °С для помещений с временным пребыванием людей и обходных дорожек плавательных бассейнов.
Температура пола по оси нагревательного элемента должна быть не более 35 °С.
Согласно СП 41-102-98 перепад температуры на отдельных участках пола не должен превышать 10 °С (оптимально 5 °С).
Далее будут приведены основные схемы для монтажа теплого пола. Схема № 1 решена с использованием терморегулирующего монтажного комплекта VT.ICBOX, и позволяет автоматически поддерживать требуемую температуру в помещении.
Схема № 1 на базе терморегулирующего монтажного комплекта VT.ICBOX
Таблица 2. Спецификация материалов «теплого пола» для схемы № 1 (площадь пола 15 м2)
Такая схема используется при теплоносителе в подающем трубопроводе с температурой до 60 °С. При более высоких температурах теплоносителя необходимо применять специальные технические решения (частичное использование «теплой стены»; применение поризованных стяжек, теплоизоляция труб). К преимуществам данной схемы относится ее простота и экономичность. Её рекомендуется использовать при укладке теплого пола в небольших помещениях, учитывая, что один монтажный узел VT.ICBOX может обслужить только одну петлю теплого пола протяженностью не более 100 м. Коллектор и насосно-смесительный узел для такой схемы не требуются.
Регулирование температуры теплоносителя в контуре теплого пола осуществляется встроенным терморегулятором, входящим в состав узла VT.ICBOX. При повышении температуры теплоносителя выше установленного значения, терморегулятор уменьшает расход, тем самым снижая температуру пола. Для устройства теплого пола выпускаются монтажные комплекты VT.ICBOX1.0 и VT.ICBOX 2.0. Автоматическое поддержание температуры в помещении в узле VT.ICBOX 1.0 осуществляется при помощи сервопривода или термостатической головки с выносным термочувствительным элементом, а в узле VT.ICBOX 2.0 – только при помощи термоголовки.
- Недостатком систем с узлами VT.ICBOX, при подключении их к высокотемпературной системе отопления, является неравномерность распределения температуры теплоносителя по длине трубы, что приводит к существенным перепадам температуры
пола над соседними трубами. Поэтому, при использовании теплого пола на базе комплектов VT.ICBOX, рекомендуется:
- в качестве финишного покрытие пола использовать материалы, стойкие к высоким температурам, например керамическую плитку;
- использовать толщину стяжки не менее 50 мм над трубой, что исключит скачкообразное колебание температур на поверхности пола. Чем больше толщина стяжки, тем меньше перепад температур пола между соседними трубами;
- укладывать трубы «улиткой». В этом случае «горячие» трубы равномерно чередуются с «холодными», что позволит избежать наличия перегретых участков пола.
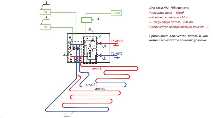
Схема № 2 на базе трехходового смесительного клапана VT.MR01, с насосом в контуре теплого пола
Таблица. 3. Спецификация материалов «теплого пола» для схемы № 2 (на 100 м2 пола)
В схеме № 2 приготовление теплоносителя с пониженными температурными параметрами осуществляется при помощи трехходового смесительного клапана VT.MR01 (поз. 2), управляемого посредством термоголовки с выносным датчиком (поз. 3) или сервоприводом, работающим под управлением контроллера. Циркуляцию теплоносителя в контуре теплого пола обеспечивает циркуляционный насос (поз. 4). При снижении температуры теплоносителя в контуре теплого пола ниже установленного значения, клапан пропускает в контур теплого пола требуемую порцию высокотемпературного теплоносителя.
Балансировка петель между собой осуществляется регулировочными вентилями, входящими в состав обратного коллектора (поз. 8). Схема является достаточно простой и работоспособной. Регулирование теплоотдачи теплого пола осуществляется настройкой термоголовки или сервоприводом. Автоматическое поддержание температуры в каждом отдельном помещении отсутствует.
Теперь рассмотрим, как изменится стоимость материалов, если требуется автоматически поддерживать температуру воздуха в каждом помещении (схема № 3).
Схема № 3 на базе трехходового смесительного клапана VT.MR01, с насосом в контуре теплого пола, с автоматическим регулированием температуры воздуха в помещениях
Таблица 4. Спецификация материалов «теплого пола» для схемы № 3 (на 100 м2 пола)
В состав коллекторного блока VTс.586.EMNX (поз. 7) входят подающий и обратный коллекторы, автоматические воздухоотводчики и дренажные клапаны. Подающий коллектор укомплектован ручными регулировочными клапанами с расходомерами, которые облегчают процесс балансировки петель между собой. Настройка расходомеров осуществляется по проектным данным. Обратный коллектор укомплектован термостатическими клапанами, на которые установлены сервоприводы (поз. 8). Сервопривод каждой петли управляется своим комнатным термостатом (поз. 9). Термостат устанавливается в каждом отдельном помещении с теплым полом.
Для возможности автоматического регулирования температуры в помещениях могут использоваться коллекторные блоки VTс.589.EMNX, VTс.596.EMNX, а также блоки без расходомеров – VTс.588.EMNX, VTс.594.EMNX.
Схема № 4 на базе насосно-смесительного узла VT.DUAL, с автоматическим регулированием температуры воздуха в помещениях
Таблица 5. Спецификация материалов «теплого пола» для схемы № 4 (на 100 м2 пола)
Принцип работы смесительного узла VT.DUAL (схема № 4) следующий: циркуляционный насос (поз. 3) обеспечивает циркуляцию теплоносителя через петли теплого пола. При остывании теплоносителя ниже настроечной температуры, открывается термостатический клапан в составе узла и обеспечивается подпитка вторичного контура теплоносителем из первичного контура с подмесом теплоносителя из подающего коллектора вторичного контура.
В случае превышения заданной температуры вторичного контура, срабатывает предохранительный термостат, останавливая насос. При этом циркуляция теплоносителя во вторичном контуре прекращается, а в первичном она происходит через перепускной байпас. Тем самым узел обеспечивает постоянство расхода в первичном контуре. В случае, когда петли теплого перекрываются, циркуляция теплоносителя вторичного контура происходит через перепускной байпас.
Схема № 5 на базе насосно-смесительного узла VT.COMBI.S, с погодозависимым контроллером и автоматическим регулированием температуры в помещениях
Таблица 6. Спецификация материалов «теплого пола» для схемы № 4 (на 100 м2 пола)
Узлы VT.COMBI.S (схема № 5) адаптированы для работы с контроллером VT.К200.М, позволяющим производить автоматическое погодозависимое управление температурой теплоносителя вторичного контура по заданному пользователем графику.
- Контроллер VT.K200.M осуществляет следующие функции:
- измерение и индикация температуры наружного воздуха;
- измерение и индикация температуры теплоносителя;
- поддержание комфортной температуры в помещениях с любой конструкцией теплого пола и при любых климатических условиях;
- обмен данными, программирование прибора по сети через интерфейс RS-485 (интеграция в системы «умный дом»);
- аварийное отключение циркуляционного насоса при достижении теплоносителем предельно допустимой температуры (60 °С).
Схемы № 3, 4, 5 могут также комплектоваться термостатами с датчиком температуры пола VT.AC709. В этом случае регулирование будет осуществляться по температуре воздуха в помещении, а датчик температуры пола будет играть предохранительную роль. Он отключит подачу в петли теплоносителя при превышении заданной предельной температуры пола. Это важно при покрытии пола из паркета или ламината. Термостат VT.AC709 можно перенастроить на режим, когда рабочим станет датчик температуры пола, то есть регулирование подачи теплоносителя в петли будет осуществляться именно по нему, а датчик температуры воздуха в помещении станет предохранительным. При достижении температуры воздуха в помещении заданного критического значения сервопривод перекроет подачу теплоносителя в петли, независимо от показаний датчика температуры пола.
Все рассмотренные схемы могут комбинироваться друг с другом и дополняться различным оборудованием.
Автор: Полякова Е.В.
Все авторские права защищены.
При копировании статьи ссылка на правообладателя и/или на сайт valtec.ru обязательна.